850nm 24发射24接收 POB并行光模块
发布时间:2025-04-07 09:10:16
发布者:welcome海洋之神科技
浏览次数:315welcome海洋之神科技生产的850nm 24发射24接收 POB并行光模块采用24对VCSEL发射器和PIN光电二极管接收器阵列,工作波长为850nm,支持多模光纤传输,通过全双工24通道并行架构实现超高密度光互连。单通道速率可达25Gbps以上,总带宽突破600Gbps,适用于极短距离(如芯片间、板卡级毫米级互连)的超高速数据传输。其设计集成度更高,封装密度提升,同时优化了信号完整性和功耗管理,可满足数据中心叶脊网络、超算集群、人工智能训练平台及高密度雷达信号处理系统等场景对超大带宽和低延迟的需求,尤其适合需要超高吞吐量的光学背板互联。
产品特性
12路发送、12路接收并行光纤通道
单通道速率支持:155Mbps、622Mbps、1.25Gbps、2.5Gbps、3.125Gbps、4.25Gbps、6.25Gbps和10.3125Gbps
电接口连接器为弹片压接式
光接口为48芯MT散纤
50μm多模光纤传输距离100m~1km
带弹簧/带导航针可选
单3.3V电源供电
数据差分信号输入/输出CML电平
I2C串行数据接口通信监控
紧凑的结构设计,高密度高容量
工作温度:
商业级(C):0°C~+70°C
工业级(I):-40°C~+85°C
产品应用:
支持甚短距离的高速数据通信连接
服务器与存储器阵列的互连
机载雷达
其他光学链接
执行标准:
符合I类激光安全标准IEC-60825
ROHS2.0
订购信息表:
| 型号 | 速率 | 波长 | 传输距离 | 光纤类型 | 接口 |
工作温度(注1) |
| GBCB-8503-01Nx(注2)x(注3) | 155Mbps | 850nm | 1km | 多模 | MT | 0°C~+70°C |
| GBCB-8503-01INx(注2)x(注3) | 155Mbps | 850nm | 1km | 多模 | MT | -40°C~+85°C |
| GBCB-8506-01Nx(注2)x(注3) | 622Mbps | 850nm | 1km | 多模 | MT | 0°C~+70°C |
| GBCB-8506-01INx(注2)x(注3) | 622Mbps | 850nm | 1km | 多模 | MT | -40°C~+85°C |
| GBCB-8512-0DNx(注2)x(注3) | 1.25Gbps | 850nm | 500m | 多模 | MT | 0°C~+70°C |
| GBCB-8512-0DINx(注2)x(注3) | 1.25Gbps | 850nm | 500m | 多模 | MT | -40°C~+85°C |
| GBCB-8524-0DNx(注2)x(注3) | 2.5Gbps | 850nm | 500m | 多模 | MT | 0°C~+70°C |
| GBCB-8524-0DINx(注2)x(注3) | 2.5Gbps | 850nm | 500m | 多模 | MT | -40°C~+85°C |
| GBCB-8530-0DNx(注2)x(注3) | 3.125Gbps | 850nm | 500m | 多模 | MT | 0°C~+70°C |
| GBCB-8530-0DINx(注2)x(注3) | 3.125Gbps | 850nm | 500m | 多模 | MT | -40°C~+85°C |
| GBCB-8548-0SNx(注2)x(注3) | 4.25Gbps | 850nm | 300m | 多模 | MT | 0°C~+70°C |
| GBCB-8548-0SINx(注2)x(注3) | 4.25Gbps | 850nm | 300m | 多模 | MT | -40°C~+85°C |
| GBCB-8560-0SNx(注2)x(注3) | 6.25Gbps | 850nm | 300m | 多模 | MT | 0°C~+70°C |
| GBCB-8560-0SINx(注2)x(注3) | 6.25Gbps | 850nm | 300m | 多模 | MT | -40°C~+85°C |
| GBCB-8596-0NNx(注2)x(注3) | 10.3125Gbps | 850nm | 100m | 多模 | MT | 0°C~+70°C |
| GBCB-8596-0NINx(注2)x(注3) | 10.3125Gbps | 850nm | 100m | 多模 | MT | -40°C~+85°C |
注1:外壳温度。
注2:“*”=H表示扁纤;“*”=J表示圆纤;“*”=N表示散纤;“*”=P表示带弹簧扁纤;“*”=Q表示带弹簧圆纤。
注3:“*”表示尾纤长度,详见尾纤长度代码表。
尾纤长度代码表:
| 尾纤长度(mm) | 代码 | 尾纤长度(mm) | 代码 |
| 30 | 0 | 150 | R |
| 50 | A | 160 | S |
| 55 | B | 170 | T |
| 60 | C | 180 | U |
| 65 | D | 190 | V |
| 70 | E | 200 | 2 |
| 75 | F | 300 | 3 |
| 80 | G | 400 | 4 |
| 85 | H | 500 | 5 |
| 90 | J | 600 | 6 |
| 95 | K | 700 | 7 |
| 100 | 1 | 800 | 8 |
| 110 |
M |
900 | 9 |
| 120 | N | 1000 |
L |
| 130 | P | 1500 | Z |
| 140 | Q | 定制 | Y |
注:
-
尾纤长度≥50mm 时扁纤、圆纤、散纤可选,带弹簧、带导针可选。
-
尾纤长度<50mm 时可做扁纤,不带弹簧。
-
尾纤长度常规公差为±L*5%。
-
特殊需求另行沟通。
24路POB光模块与12路POB光模块的对比:
| 特征/应用 | 24路POB光模块 | 12路POB光模块 |
| 通道数量 | 24发射/24接收通道 | 12发射/12接收通道 |
| 总带宽 | 单通道25Gbps时总带宽600Gbps+ | 单通道25Gbps时总带宽300Gbps+ |
| 集成密度 | 更高,需更精密的光电阵列封装技术 | 中等,适用于标准高密度场景 |
| 功耗与散热 | 功耗更高,需强化散热设计 | 功耗较低,散热需求相对简单 |
| 典型应用场景 | 1. 超大规模数据中心核心层互联 | 1. 中小型数据中心架顶交换机互联 |
| 2. AI/GPU集群多节点并行通信 | 2. 服务器与存储阵列直连(SAN/NAS) | |
| 3. 高密度雷达阵列信号处理(如相控阵) | 3. 机载雷达系统内部高速数据交换 | |
| 4. 光学背板芯片间极短距(<1m)互联 | 4. 工业设备内部模块化光学链路 | |
| 成本与部署 | 成本较高,适合极端带宽需求场景 | 成本适中,性价比更优,部署灵活性高 |
原理框图:
MT光接口通道定义
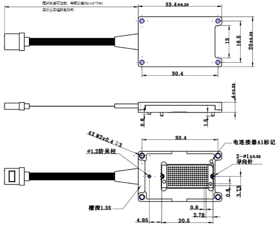
模块尺寸:
常见故障处理
1、光模块的常见故障:
(1)模块发射端:①无光输出;②输出光功率超出规范;③有光输出,但无眼图输出;④Alert告警
(2)模块接收端:①无法收光;②接收灵敏度超出范围;③输出信号异常;④SD输出电平异常
2、并行光模块常见故障模式及解决方案如下:
| 模块故障 | 现象故障 | 可能原因 | 预防措施 |
| 发射 | 无光输出 | 1、模块供电异常 | a、检查模块供电情况 |
| 2、光纤带损坏或者光口端面封堵 | b、红光和光纤端面检测光口 | ||
| 3、未使能 | c、检查模块使能控制信号电平 | ||
| 输出光功率超出范围 | 光端面受污染 | a、采用脱脂棉棒加无水乙醇清洗光口 | |
| b、采用无尘纸清洁光口 | |||
| 有光输出,但无眼图输出 | 调制信号加载异常 | a、检查进入光模块调制信号是否正常 | |
| b、输入信号电平配置是否正常 | |||
| Alert告警 | 激光器供电或加载信号异常 | ||
| 接收 | 无法收光 | 1、模块供电异常 | a、检查模块供电情况 |
| 2、光纤带损坏或者光口端面封堵 | b、红光和光纤端面检测光口 | ||
| 接收灵敏度超出范围 | 光口端面受污染 | a、采用脱脂棉棒加无水乙醇清洗光口 | |
| b、采用无尘纸清洁光口 | |||
| 输出信号异常 | 1、接收的输入信号异常 | a、确保进入接收端的输入信号质量 | |
| 2、未使能 | b、确保模块使能控制信号电平正确 | ||
| SD输出电平异常 | 1、接收的输入信号异常 | a、确保进入接收端的输入信号质量 | |
| 2、SD信号引脚损伤 | b、按照典型电路配置接口电路 |





